使用NE555电子diy制作光感应传感器
概述 本电路中,我将向您展示如何制作一个光感应探测传感器,该传感器可以使用最便宜的光传感器 LDR(光敏电阻)来检测黑暗。黑暗探测器传感器电路可用于灯光突然熄灭的应用。 我们还使用处于非稳态模式的555 定时器IC 来生成方波脉冲。我们使用压电电子蜂鸣器作为警报输出声音。 电路板图 电路原理图 物料清单 555定时器IC LDR(光敏电阻) 压电蜂鸣器 10...
教你用NE555电子制作超声波发生器
本电路中,我将向您展示一个简单的超声波发生器,它可用于各种用途,例如声音发生器、驱蚊器等。该电路使用带有IC 555 的非稳态模式多谐振荡器,它通过改变可变电阻来产生所需的频率。在这里,我将向您展示如何使用这种简单的机制制作超声波发生器。人类可以听到的声波频率范围为 1 Hz 至 20 kHz。我们确定频率高于 20 kHz 的称为超声波。猫、狗、昆虫、蚊子...
用NE555diy的红外传感器电路
使用 NE555通过简单的步骤diy一个红外传感器。该红外传感器的操作非常简单,当传感器前面有物体时,LED 就会亮起。我们有两个红外光二极管一个发射一个接收。当电流通过发射器led时,它会发射红外线。我们可以使用任何移动设备或任何其他摄像设备看到这些红外线。 接收器采用反向偏压,用于捕获红外线。LED 的负极接电源的正极。由于处于反向偏置状态,接收器在其初...
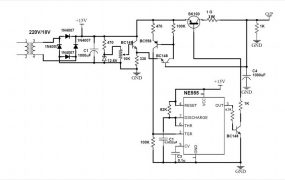
用NE555电子diy可变稳压电源
项目概述 在这个项目中,我们将使用 555 定时器 IC 为中等应用构建一个可变电源。该可变电源电路可提供高达 300mA 的电流,电压在 6 伏至 13 伏之间可变。该项目非常便宜且易于设计。555定时器由周期为0.2ms的单稳态多谐振荡器和齐纳二极管构成参考电压,电位器控制输出。 电路原理图 所需组件 NE555定时器IC BC148 晶体...
555 定时器和 CD-4017 IC 的多范围可调定时器
电子定时器是一种用于延时或开关各种工业和家用电器的电路。构建多范围可调定时器的方法有3种。 第一个是单稳态多谐振荡器。但在长时间延迟的情况下,组件会变得笨重。由于这个缺点,如果需要更长的时间延迟,则不使用该电路。 第二种方法是采用微处理器进行极其精细的控制和切换。但这是一种非常先进的方法,而且极其昂贵和复杂。 我们要在该项目中实现的最后一种方法是采用与计数器...
555定时器的DC-DC升压转换器电路
本教程中,我将向您展示一个带有 555 定时器 IC 的简单且适度的 DC-DC 升压转换器电路。升压转换器是一种直流-直流电源转换器,它通过获得一定量的指定输入电压将电压增加到固定的特定水平。它是一类交换模式电源,至少包含两个半导体(一个二极管和一个晶体管)以及至少一个储能元件,即电容器、电感器或两者的相同组合。为了减少电压纹波,通常在这种转换器的输出和输...
NE 555定时器的简单金属探测器电路
在本教程中,我将向您展示如何使用较少的组件制作一个简单的金属探测器电路,这是一个非常重要的设备,用于在机场/购物中心、酒店等检查人员、行李或包,以确保特定的人员未携带任何金属,如枪支、炸弹或任何其他金属类型的设备。金属探测器有多种类型,例如手持式金属探测器、步行式金属探测器和地面搜索金属探测器。使用作为设备主要部分的线圈可以轻松创建金属探测器。在这个项目中,...
使用 555 定时器的 PWM 电机速度控制器
今天的项目是关于仅使用 555 定时器 IC 的 PWM 电机速度控制器。它对于改变低功率直流电机的速度很有用。网络上有许多电路可以控制用于电子项目目的的直流电机。但当要均匀、平稳地控制电机时,PWM电机速度控制器是最好的选择,比如使用AVR、8051和Arduino。 我们还可以仅使用与电机串联的可变电位器来构建该电机速度控制器。但由于两个原因,我们不能出...

